- 产品描述
-
- 商品名称: 柱式拉压测力传感器FA401
FA401微型柱式平面拉压测力传感器采用17-4PH不锈钢,经久耐用,平面结构,中心均匀受力,全密封性,稳定性好,采样频率高。测量范围从1公斤到1吨不等量程。

产品特点
FA401柱式拉压力传感器采用平面加载方式,高度低,变形量小、安装方便。可进行拉压双向测力,防过载保护,动态响应频率高。
技术参数
参数 技术指标 额定量程 1,2,5,10,20kg
输出灵敏度 2.0±10%mV/V 零点输出 ±0.05%mV/V 蠕变 ≤0.1%F.S. 非线性 ≤0.1%F.S. 滞后 ≤0.1%F.S. 重复性 ≤0.1%F.S. 输入电阻 650/350±5Ω 输出电阻 650/350±5Ω 温度灵敏度漂移 0.05%F.S./10℃ 零点温度漂移 0.05%F.S./10℃ 绝缘电阻 ≥5000MΩ/100V(DC) 激励电压 5V 最大激励电压 15V 温度补偿范围 -10~40℃ 工作温度范围 -20~60℃ 安全过载 150%F.S. 极限过载 200%F.S. 电缆线尺寸 φ2X3000mm 产品重量 0.1kg 材料 不锈钢 产品尺寸图
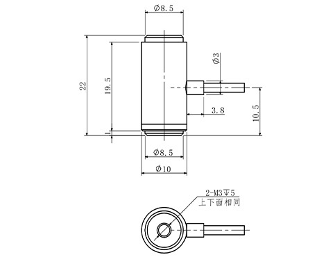
安装尺寸

受力方式

配线图

搭配显示 测量精准
测力称重传感器自身输出为MV信号,需要放大转换才能显示数值或输出信号给上位机、PLC等。



产品应用
适用于新能源产品组装、医疗检测、机器人、模具组装;汽车压装、自动化组装、3C产品测试;冲压力、注塑和模具行业、机器人抓取、压入、拉压力的检测与控制、汽车装配力值检测等。

关键词:- 柱式平面拉压测力传感器
- 不锈钢
公司介绍
费波斯测量技术(常州)有限公司致力于力传感器的研发,销售传感器解决方案和技术支持全过程服务的专业高科技公司。经过多年对传感器和自动化控制系统的了解和认识,现公司传感器控制系统部门有一支专业性极强的团队为国内外客户提供完美的售前和售后服务。
生产介绍
费波斯传感器生产部不断引进国内外先进的生产设备及制造工艺,研发新技术,加强技术创新,改良产品设计,力求制造和研发国内外一流的传感器及自动化控制系统。对我司积极的与欧美,亚太地区的高端传感器公司合作,对传感器行业有前瞻性的理解和创新。
证书介绍
费波斯不断用实力斩获2项发明专利,36项实用新型发明专利证书,并获得“江苏省民营科技企业”、“高新技术企业”、“科技型中小企业”等资质。费波斯生产部各个设备也均通过中国测试技术研究院认证,并拥有欧盟CE,ROHS,Intertek认证证书,高品质生产。
上一页
下一页
推荐产品
在线留言





