螺杆式拉压测力传感器FA206
如需定制量程、精度、尺寸等参数,请联系我们
所属分类:
关键词:
螺杆式拉压力传感器
高精度电阻应变式原理
- 产品描述
-
- 商品名称: 螺杆式拉压测力传感器FA206
FA206螺杆式拉压力传感器可进行拉压双向使用,采用高精度电阻应变式原理,动态响应频率高,两端螺纹设计,便于安装,可满足0-1KN范围的力测量。

产品特点
FA206螺杆式拉压力传感器采用全不锈钢材质,拉压两用,具有良好的对称性,高精度,寿命长,结构简单,频响特性好。
技术参数
参数 技术指标 额定量程 1,2,5,10,20,50kN
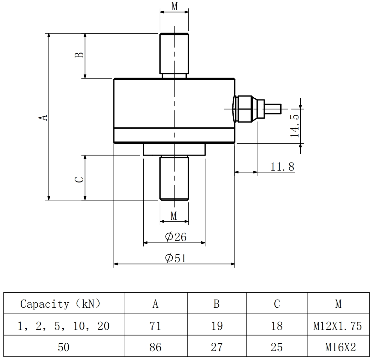
输出灵敏度 1.7±20%mV/V 零点输出 ±0.03mV/V 蠕变 ≤0.1%F.S. 非线性 ≤0.2%F.S. 滞后 ≤0.1%F.S. 重复性 ≤0.1%F.S. 输入电阻 780±20Ω 输出电阻 700±10Ω 温度灵敏度漂移 0.05%F.S./10℃ 零点温度漂移 0.05%F.S./10℃ 绝缘电阻 ≥5000MΩ/100V(DC) 激励电压 5~12V 最大激励电压 15V 温度补偿范围 -10~60℃ 工作温度范围 -20~80℃ 安全过载 150%F.S. 极限过载 200%F.S. 电缆线尺寸 φ4X3000mm 产品重量 0.6kg 材料 不锈钢 产品尺寸图
安装尺寸

受力方式

配线图

搭配显示 测量精准
测力称重传感器自身输出为MV信号,需要放大转换才能显示数值或输出信号给上位机、PLC等。



产品应用
适用于试验机、吊钩秤、铆钉机、医疗器械、拉压力测试仪器及自动化测控领域等。

关键词:- 螺杆式拉压力传感器
- 高精度电阻应变式原理
公司介绍
费波斯测量技术(常州)有限公司致力于力传感器的研发,销售传感器解决方案和技术支持全过程服务的专业高科技公司。经过多年对传感器和自动化控制系统的了解和认识,现公司传感器控制系统部门有一支专业性极强的团队为国内外客户提供完美的售前和售后服务。
生产介绍
费波斯传感器生产部不断引进国内外先进的生产设备及制造工艺,研发新技术,加强技术创新,改良产品设计,力求制造和研发国内外一流的传感器及自动化控制系统。对我司积极的与欧美,亚太地区的高端传感器公司合作,对传感器行业有前瞻性的理解和创新。
证书介绍
费波斯不断用实力斩获2项发明专利,36项实用新型发明专利证书,并获得“江苏省民营科技企业”、“高新技术企业”、“科技型中小企业”等资质。费波斯生产部各个设备也均通过中国测试技术研究院认证,并拥有欧盟CE,ROHS,Intertek认证证书,高品质生产。
上一页
下一页
推荐产品
在线留言





